Научные результаты
Основные научные достижения
2024 год
1. Ретроспективная оценка выброса углерода-14 графито-водными ядерными реакторами. По результатам измерения удельной активности 14С в годичных кольцах деревьев в Курчатовском районе Курской области впервые проведена ретроспективная оценка годовых выбросов 14С для Курской АЭС. При нормальной эксплуатации выброс 14С находится на уровне 0,6 ТБк в год. В период плановых работ по демонтажу и замене графитовой кладки реакторных установок происходит многократное увеличению выброса 14С до 7 ТБк в год. С учетом того, что в графито-водных ядерных реакторах большая часть образующегося 14С остается в графите, в перспективе при выводе из эксплуатации реакторов РБМК-1000, АМБ-100, АМБ-200 и ЭГП-6 следует уделять большое внимание контролю и мониторингу выбросов этого радионуклида.
Рис. Удельная активность 14С в годичных кольцах деревьев в районе Курской АЭС (100 pMC = 226 Бк/кг С). Измерения проведены с помощью ускорительного масс-спектрометра в ИЯФ им. Будкера СО РАН.
Авторы: Назаров Е. И., Екидин А. А., Пышкина М. Д., Васянович М. Е. (ИПЭ УрО РАН)
2. Облучение населения в многоэтажных зданиях. На основании результатов радиационных обследований крупных городов России с использованием новых методов радиометрического контроля проведена комплексная оценка основных факторов облучения населения в зданиях городского типа. Суммарная эффективная доза облучения в многоэтажных зданиях, связанная с природными радионуклидами в строительных материалах, в среднем составляет 1,3 мЗв/год, диапазон значений этой величины по городам 1,0–3,3 мЗв/год. Наибольший вклад в эту величину вносит радон и его дочерние продукты – в среднем 62%; вклад дочерних продуктов торона – 20%; вклад внешнего облучения – 18%. В целом радиационная обстановка в жилищах городского типа в России является удовлетворительной. Основные направления оптимизации радиационной безопасности городского населения – контроль накопления радона в современных энергоэффективных зданиях и поддержание достигнутого уровня контроля природных радионуклидов в строительных материалах.
Рис. Вклад источников ионизирующего излучения, связанных с природными радионуклидами в строительных материалах, в эффективную дозу облучения городского населения, проживающего в многоэтажных зданиях, возведенных после 2000 г. (по городам – столбики, в среднем по России – круговая диаграмма).
Авторы: Ярмошенко И. В., Жуковский М. В., Изгагин В. С., Малиновский Г. П., Онищенко А.Д. (ИПЭ УрО РАН)
3. Характеристики нейтронных полей рабочих мест исследовательских ядерных реакторов в России. Впервые получены данные об энергетическом распределении плотности потока нейтронного излучения на реакторных установках исследовательских ядерных реакторов России. В отличие от однотипных коммерческих ядерных установок АЭС, на рабочих местах исследовательских ядерных реакторов условия облучения работников нейтронным излучением специфичны для каждого рабочего места, каждой реакторной установки. Для совершенствования систем индивидуального дозиметрического контроля нейтронного облучения на этом классе реакторных установок необходимо проведение комплексных экспериментальных исследований характеристик нейтронных полей на каждом рабочем месте, где происходит воздействие нейтронов на персонал.


Рис. Энергетическое распределение плотности потока нейтронного излучения в аналогичных точках реакторных установок ИРТ-Т и ИВВ-2М: а) отм. 8,05 (крышка бака аппарата); б) отм. 3,9 (за биологической защитой реактора);
в) отм. 0,0 (напротив ГЭК).
Авторы: Пышкина М.Д., Назаров Е.И., Екидин А.А., Васильев А.В (ИПЭ УрО РАН).
4. Прогнозирование метаболического синдрома с использованием новых антропометрических индексов. С использованием линейной и логистической регрессии впервые в России определена прямая связь между метаболическим синдромом (МС), его отдельными компонентами и новыми антропометрическими индексами (АИ) у работников-мужчин промышленных предприятий, занятых во вредных условиях труда. Самое высокое отношение шансов показал индекс округлости тела (BRI) – 2,2, 95% CI: 1,8-2,8. Для разных возрастных квартилей оптимальные пороговые значения (Cut-off point), предсказывающие МС, составили: для BRI 4,1-4,4 отн. ед.; для индекса формы тела (ABSI) 0,080-0,083 м11/6∙кг-2/3; и для продукта накопления липидов (LAP) 49,7-70,5 см∙ммоль/л. Результаты исследования свидетельствуют о целесообразности использования новых АИ в качестве неинвазивных, простых и удобных в применении индикаторов кардиометаболических факторов риска специалистами в области медицины и гигиены труда. Раннее выявление лиц, входящих в группу риска, облегчает разработку программ по изменению факторов риска, предотвращению возникновения и прогрессирования МС, снижению смертности и инвалидизации населения. Предложенный подход реализован в программном обеспечении, используемом в практической медицине.
Рис. Распределение численности работников по возрастным группам и наличию МС с разбивкой антропометрических показателей по полученным пороговым значениям.
Рис. В разработанной программе для ЭВМ реализована процедура ROC-анализа с функцией визуализации порогового значения, используемого в качестве диагностического критерия.
Авторы: Константинова Е.Д., Маслакова Т.А., Огородникова С.Ю. (ИПЭ УрО РАН)
5. Моделирование исхода оперативного лечения недержания мочи. Разработан способ прогнозирования эффективности двух типов операций у женщин со спонтанным недержанием мочи (СНМ) в постменопаузе: 1) парауретральное введение объемообразующего геля в сочетании с пластикой цистоцеле собственными тканями (тип ГЕЛЬ); 2) передняя кольпоррафия в сочетании с уретропексией свободной синтетической петлей (тип СЕТКА). Дискрминантный анализ 60 клинических показателей (по данным ультразвукового исследования и определения полиморфизмов генов) и первичного клинического материала по результатам выполнения операций типа ГЕЛЬ и СЕТКА позволил выделить комплекс наиболее существенных показателей. Применение способа позволяет предложить персонифицированный метод хирургического лечения недержания мочи, который снижает процент ошибочного выбора типа операции с 20-30% до 1-2%. Предложенный подход реализован в программном обеспечении, используемом в практической медицине.
Рис. Показатели «Длина уретры» и «Максимальная скорость потока мочи-МСПМ» для пациенток, удовлетворенных и неудовлетворенных результатом операции ГЕЛЬ. Линия на графике – прогностическое правило.
Рис. Интерфейс программы, использующей WEB-приложение, содержащий поля для введения параметров инструментального исследования.
Авторы: Луговых Е.В., Михельсон А.А., Лазукина М.В., Третьякова Т.Б., Юминова А.В., Лукач М.А. (НИИ ОММ), Вараксин А.Н. Константинова Е.Д. (ИПЭ УрО РАН).
6. Максимизация производства энтропии в суспензии на основе графита и силиконового масла. Рассмотрена электрическая проводимость суспензии из графита и силиконового масла при воздействии небольшой разности электрических потенциалов и вибраций (40–50 Гц). Обнаружено, что подобная неравновесная система эволюционирует так, чтобы увеличить свою мощность тепловыделения. При этом малые по энергии вибрации ускоряют, а большие препятствуют этому процессу. Поскольку тепловая мощность рассмотренной системы пропорциональна производству энтропии, то полученные результаты согласуются с так называемым принципом максимума производства энтропии (MEPP). Это является первым экспериментальным подтверждением MEPP для процессов без скачкообразных неравновесных переходов, а также со специально создаваемыми условиями для возникновения альтернативных вариантов эволюции системы. Возможность выбора среди альтернатив у сложной системы является принципиальным моментом при экспериментальном обсуждении MEPP и это ранее недооценивалось в литературе.
Рис. Изменение мощности в образце со временем при отсутствии и наличии вибраций. Цвет соответствует типу вибрации: отсутствие вибрации (nv) – черный цвет, возмущающие 40’6 (частота 40 Гц, амплитуда 6 м/с2) и разрушающие 40’25 (частота 40 Гц, амплитуда 25 м/с2) вибрации – фиолетовый и красный цвет, соответственно.
Авторы: Мартюшев Л. М. (ИПЭ УрО РАН)
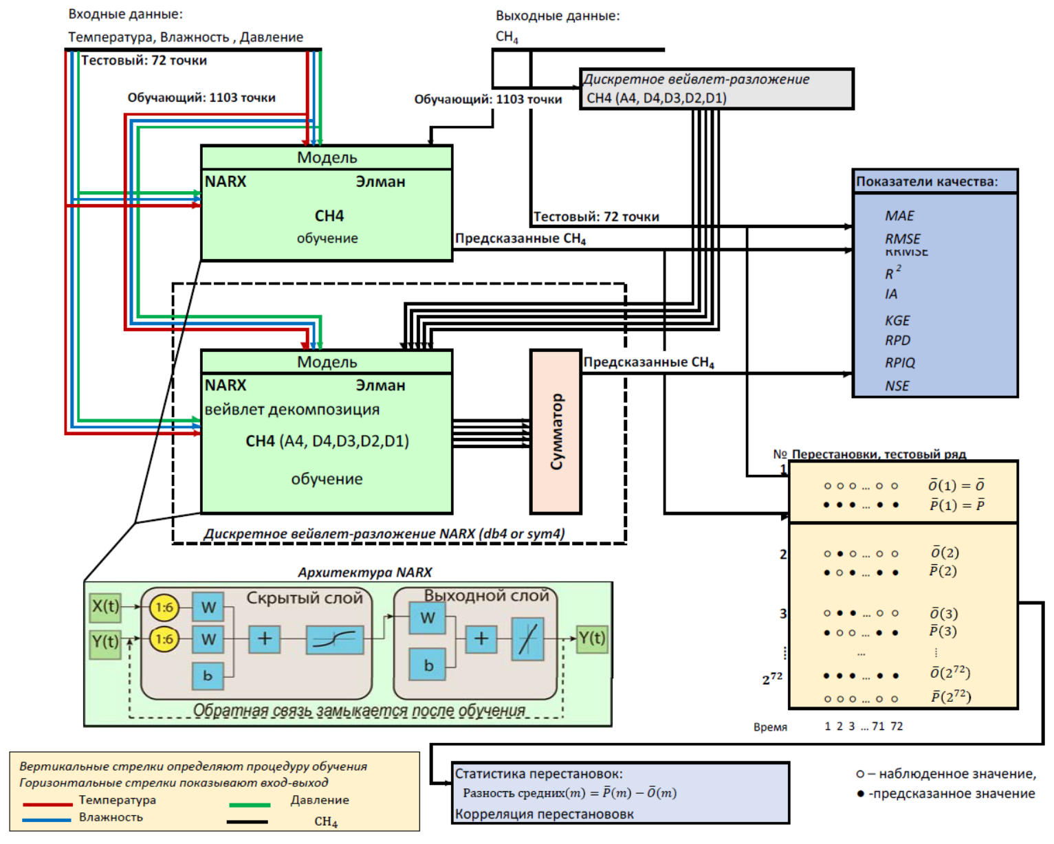
7. Пермутационный метод оценки точности прогноза временного ряда. Разработаны принципы применения пермутационного подхода для оценки эффективности прогностических моделей распределений примесей в окружающей среде. На примере динамики приземной концентрации парникового газа метана на арктическом острове Белый продемонстрированы преимущества пермутационного подхода при построении моделей, комбинирующих нейросети Elman и NARX с предварительной дискретной вейвлет-декомпозицией, наблюдаемой реализации временного ряда, на основе вейвлетов Daubechies (db4) и Symlet (sym4).
Рис. Блок-схема процедуры моделирования с использованием нейросетей и пермутационного подхода.
Авторы: Сергеев А. П., Шичкин А. В., Баглаева Е. М., Буевич А. Г., Буторова А. С., Субботина И. Е. (ИПЭ УрО РАН)
8. Исследование закономерностей изменения концентрации парниковых газов. Проанализированы закономерности и факторы изменения концентраций диоксида углерода (CO2) и метана (CH4) в приземной атмосфере урбанизированной и загородной среды по результатам синхронных измерений в г. Екатеринбург и Коуровской астрономической обсерватории за период сентябрь 2021 г. – август 2022 г. Показано, что в среднем максимальные концентрации CO2 в городе (443,2 млн–1) выше загородных (432,4 млн–1) и отмечаются в январе, а минимальные, наоборот, в городе ниже, чем за городом (405,4 млн– 1 в июле в Екатеринбурге против 412,7 млн–1 в сентябре в обсерватории). Повышенные уровни CO2 в Коуровской обсерватории в теплый период обусловлены очень высокими ночными концентрациями (до 500 млн–1), чего не наблюдается в городской атмосфере. Сезонная динамика концентрации CH4 в городе и в обсерватории схожа: максимальные значения наблюдаются в январе (2,154 млн–1 и 2,076 млн–1), минимальные – в июне (1,998 млн–1 и 1,971 млн–1). Взаимное влияние рассматриваемых территорий оценено как умеренное. Полученные результаты могут быть востребованы для разработки технологии оценки углеродных балансов регионального масштаба, что является основной задачей создания карбонового полигона на Урале.
Рис. Помесячный среднесуточный ход концентраций СО2 (а) и CH4 (б), а также скорости горизонтального ветра (в) в пунктах мониторинга Екатеринбурга (1) и КАО (2). Полутона – 95%-ный доверительный интервал для средних значений.
Авторы: Антонов К. Л., Гуляев Е. А., Маркелов Ю. И., Поддубный В. А. (ИПЭ УрО РАН)